자동약품 시스템 (Chemical Injection System)

자동 약품 주입 시스템은 음용수, 수영장, 물놀이장 및 다양한 수처리 공정에서 널리 사용되는 살균 시스템으로, 유입 유량에 비례하여 정량의 액체 염소(차아염소산나트륨)를 배관이나 물탱크에 자동으로 주입하여 살균, 악취 제거 및 질소(암모니아) 제거를 수행하는 장치이다. 염소 처리 과정에서는 염소 1ppm당 BOD 2ppm, 알칼리도 0.7~1.4ppm, 철·망간 1.5ppm을 효과적으로 제거할 수 있다. 또한, 대장균, 노로바이러스, 레지오넬라균 등 수인성 질병을 유발하는 유해 미생물을 살균하는데 뛰어난 효과를 발휘한다. 수영장 및 물놀이장에서는 염소 농도를 일정하게 유지하여 안전한 수질을 관리하며, 녹조 및 유기물 분해를 통해 물의 투명도를 높이고 위생적인 환경을 조성한다. 액체 약품 주입 방식은 고체 약품 대비 고장이 적고, 약품 주입 농도를 정밀하게 조절할 수 있어 운영 효율이 높으며 유지보수가 용이하다. 정수 시설, 하·폐수 처리장, 수영장, 냉각수 처리 등 다양한 환경에서 효과적인 살균 솔루션을 제공한다.

-  0.4~4.0mg/L 유리잔류염소 유지 (2022환경부기준) 

-  일정한 잔류성으로 소독효과가 오래 지속됨 (경제성, 지속성) 

-  대장균 등 각종 세균 완벽 살균 (무균 처리)
-  수인성병원균에 효과/ 먹는 수질검사 기준에 적합
-  정확한 투입 SYSTEM 및 잔류염소 농도 체크 기능
-  염소 투입 센서를 통한 자동(수동)운전 가능
-  옵션 추가 시 수질 계측기 상태 (pH, 잔류염소, ORP 등) 모니터링이 가능한 디지털 판넬 시스템 가능


MODEL NO.

SIZE W*D*H (㎜)
구  성
JTC-CL0N-50

650 X 350 X 900+50

탱크 50L + 정량펌프 + 타이머 + STS304 외함
JTC-CL1N-50
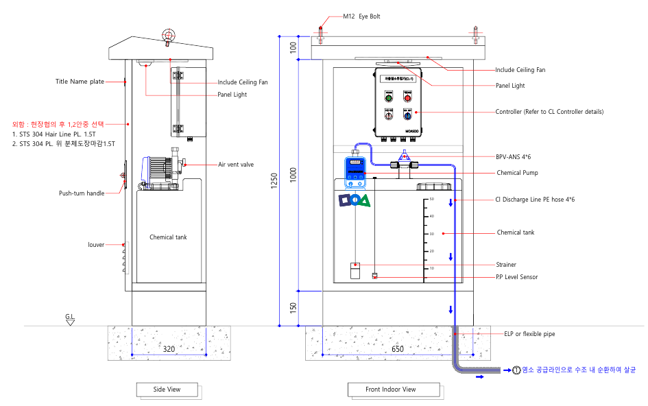
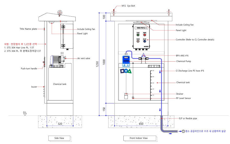
650 X 350 X 1200+50 
탱크 50L + 정량펌프 + 컨트롤제어반 + STS304 외함
JTC-CL2N-100
650 X 350 X 1700+50 
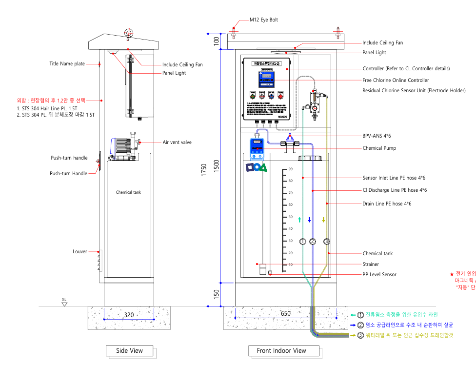
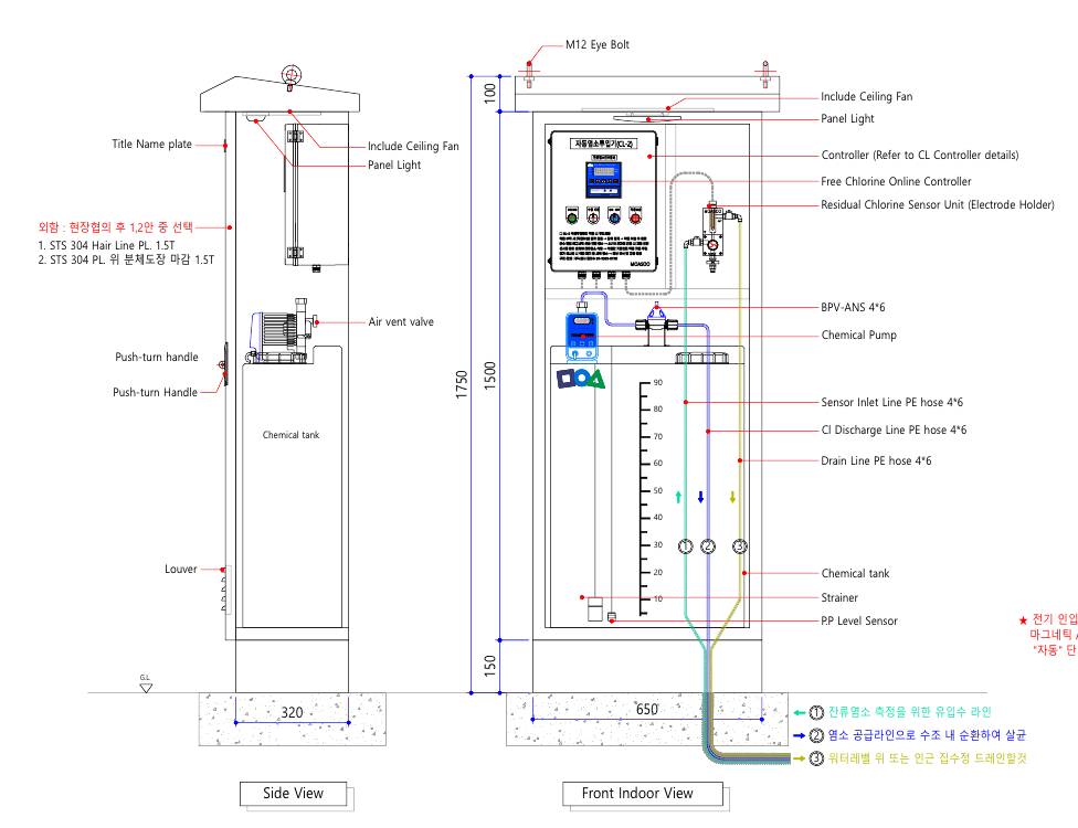
탱크 100L + 염소센서 + 정량펌프 + 컨트롤제어반 + STS304 외함
JTC-CL1N+AOP(복합살균)
650 X 350 X 1400+50
JTC-CL1N-50 + 오존발생기 + STS304 외함
JTC-CL2N+AOP(복합살균)
850 X 350 X 1700+50 
JTC-CL2N-100 + 오존발생기 + STS304 외함

  * 상기 사양은 현장 여건에 따라 변경 및 주문 제작 가능. 유효염소농도 5% (유한 아비타5000 2통(40ℓ제공)            


1. Cl-0N-50 (Automatic Chlorine Injection System With Timer)

  • 정량펌프 : 25 ㎖ /min 28W / IP55 / 약품탱크 : 50L / 24HR 타이머 설치 기본형 
  • 외함사이즈: 2025년 이전 450W*500D*1000H / 2025년 이후 650W*350D*900H / STS 304

2. Cl-1N (Automatic Chlorine Injection System With Control Panel)

  • 정량펌프 : 25 ㎖ /min 28W / IP55 / 사각 약품탱크 : 50L / 약품 수위 레벨 센서 / BPV-ANS
  • 외함사이즈 : 2025년 이전 450W*550D*1400H / 2025년 이후 650W*350D*1200H / STS 304 / A접점(NO) 연동 자동제어

3. Cl-2N (Automatic Chlorine Injection Total System With Sensor)

  • 정량펌프 : 25 ㎖ /min 28W / IP55 / 사각 약품탱크 : 100L / 약품 수위 레벨 센서 / 컨트롤러 : 0.0~10.0PPM
  • 외함사이즈: 2025년 이전 550W*650D*1700H / 2025년 이후 650W*350D*1700H / STS 304 / A접점(NO) 연동 자동제어
  • 잔류염소 센서 및 온라인 미터기 포함 / 전극 홀더 / 갈바닉 전극법에 의한 무시약 측정법 / BPV-ANS

4. JTC-CL2N+AOP(복합살균) (Automatic Chlorine + Ozone Total System With Sensor)

  • 정량펌프 : 25 ㎖ /min 28W / IP54 / 컨트롤러 : 0.0~10.0PPM / / 약품탱크 : 50L, 100L (사용자옵션에 설정 가능)
  • 외함사이즈: JTC-CL1N+AOP 650W*350D*1400H / JTC-CL2N+AOP 850W*350D*1700H / STS304
  • 잔류염소 및 pH 센서 및 온라인 미터기 포함 / 전극 홀더 / 갈바닉 전극법에 의한 무시약 측정법 / A접점(NO) 연동 자동제어
  • 오존발생기 JTB-O3-3 적용 / 염소(CL) + 오존(O₃) 복합소독 / BPV-ANS / P.P Level Sensor / PVDF 인젝터

a. 액체 염소 소독제 투입량 산정 계산식

b. 액체염소 소독제 취급 시 주의사항

1. 소독제 취급 시 주의(고무장갑 착용) : 피부 노출 시 화상유발, 옷 탈색 등 

2. 소독제 투입 시 저류조 에 최대한 균일하게 투입 하거나, 소독제를 균일하게 투입하지 못하는 경우 소독제가 균일하게 혼합 될 수 있도록 일정시간 운전 후 일반인에게 개방 할 것 

3. 수소이온농도(pH)증가 현상에 대비 : pH가 상승할 경우 중화제를 투입할 것 

4. 염소 소독 후 잔류염소가 수질기준(0.4 ~ 4 mg/L) 농도인지 수시로 확인 할 것


※ 운영 전 후 관리 관리자 필독 사항  (상세한 설명은 동봉되는 사용설명서 참고 )

운영을 마치고 장기간 미사용 시 펌프 외함과 연결 부분에 약품흔적을 닦아내고 약품 탱크에 잔여 약품을 비워낸 후 깨끗한 물을 받아 30~1시간 동안 펌핑(가동)한다. 약품 입출구, 배관을 세척하는 작업이다. 또한 접합부, 주입부 주변에 누수가 없는지 체크 하고 건조한 상태로 보관한다. 세척하지 않고 보관하면 기기류에 남아 있는 약품이 배관과 약품 펌프에 손상을 주어 다음 해 사용 시 수리/교체해야 하므로  청소를 통해  최대 성능 구현과 유지 보수 비용을 절감할 수 있다.  또한 충분한 환기 상태에서 작업해야 한다. 원액은 삼키면 위험하므로, 직접 섭취하거나 음용하지 않는다.   금속에 접촉하면 부식을 야기할 수 있으니 약품 주입(보충)시 손펌프를 이용하여 투입한다.  청결하게 관리하는 것이 제일 중요하다.

  자동약품 시스템 (Chemical Injection System)

자동 약품 주입 시스템은 음용수, 수영장, 물놀이장 및 다양한 수처리 공정에서 널리 사용되는 살균 시스템으로, 유입 유량에 비례하여 정량의 액체 염소(차아염소산나트륨)를 배관이나 물탱크에 자동으로 주입하여 살균, 악취 제거 및 질소(암모니아) 제거를 수행하는 장치이다. 염소 처리 과정에서는 염소 1ppm당 BOD 2ppm, 알칼리도 0.7~1.4ppm, 철·망간 1.5ppm을 효과적으로 제거할 수 있다. 또한, 대장균, 노로바이러스, 레지오넬라균 등 수인성 질병을 유발하는 유해 미생물을 살균하는데 뛰어난 효과를 발휘한다. 수영장 및 물놀이장에서는 염소 농도를 일정하게 유지하여 안전한 수질을 관리하며, 녹조 및 유기물 분해를 통해 물의 투명도를 높이고 위생적인 환경을 조성한다. 액체 약품 주입 방식은 고체 약품 대비 고장이 적고, 약품 주입 농도를 정밀하게 조절할 수 있어 운영 효율이 높으며 유지보수가 용이하다. 정수 시설, 하·폐수 처리장, 수영장, 냉각수 처리 등 다양한 환경에서 효과적인 살균 솔루션을 제공한다.

-  0.4~4.0mg/L 유리잔류염소 유지 (2019환경부기준)
-  일정한 잔류성으로 소독효과가 오래 지속됨 (경제성, 지속성)
-  대장균 등 각종 세균 완벽 살균 (무균 처리) 
-  수인성병원균에 효과/ 먹는 수질검사 기준에 적합 
-  정확한 투입 SYSTEM 및 잔류염소 농도 체크 기능 
-  염소 투입 센서를 통한 자동(수동)운전 가능 
-  옵션 추가 시 수질 계측기 상태 (pH, 잔류염소, ORP 등) 모니터링이 가능한 디지털 판넬 시스템 가능 

MODEL NO. 

2025이전모델

SIZE (mm)
구  성
JTC-CL0N-50

650 X 350 X 900+50

탱크 50L + 정량펌프 + 타이머 + STS304 외함
JTC-CL1N-50
650 X 350 X 1200+50
탱크 50L + 정량펌프 + 컨트롤제어반 + STS304 외함
JTC-CL2N-100
650 X 350 X 1700+50
탱크 100L + 염소센서 + 정량펌프 + 제어반 + STS304 외함

* 상기 사양은 현장여건에 따라 변경 및 주문제작 가능


1. CL-0-50 (AUTOMATIC CHLORINE INJECTION SYSTEM WITH TIMER)

  • 정량펌프 : 25 ㎖ /min 28W / IP55 / 약품탱크 : 50L
  • 24HR 타이머 기본형 / 펌프접점신호 받아 자동 운전 가능
  • 외함사이즈: 450W*500D*1000H / STS 304 옥외함
  • 2025년 이후 650W*350D*900H

2. CL-1 (AUTOMATIC CHLORINE INJECTION SYSTEM WITH PANEL) 

  • 정량펌프 : 25 ㎖ /min 28W / IP54 / 사각 약품탱크 : 50L (사용자옵션에 설정 가능)
  • 외함사이즈 : 2025년 이전 450W*550D*1400H
  • 2025년 이후 650W*350D*1200H

3. CL-2 (AUTOMATIC CHLORINE INJECTION SYSTEM WITH SENSORS)

  •       정량펌프 : 25 ㎖ /min 28W / IP54 / 컨트롤러 : 0.0~4.0PPM / 사각 약품탱크 : 50L, 100L (사용자 선택사항)
  • 외함사이즈: 2025년 이전 550W*650D*1700H
  • 2025년 이후 650W*350D*1700H
  • 잔류염소 센서 및 온라인 미터기 포함
  • 전극 홀더 / 갈바닉 전극법에 의한 무시약 측정법

a. 액체 염소 소독제 주입량 계산식

b. 액체염소 소독제 취급 시 주의사항

1. 소독제 취급 시 주의(고무장갑 착용) : 피부 노출 시 화상유발, 옷 탈색 등

2. 소독제 투입 시 저류조 에 최대한 균일하게 투입 하거나, 소독제를 균일하게 투입하지 못하는 경우 소독제가 균일하게 혼합 될 수 있도록 일정시간 운전 후 일반인에게 개방 할 것

3. 수소이온농도(pH)증가 현상에 대비 : pH가 상승할 경우 중화제를 투입할 것

4. 염소 소독 후 유리잔류염소가 수질기준(0.4 ~ 4 mg/L) 농도인지 확인 할 것(휴대용 유리잔류염소 측정기 이용)

※ 운영 전 후 관리 관리자 필독 사항  (동봉되는 사용설명서 참고 )

운영을 마치고 장기간 미사용 시 펌프 외함과 연결 부분에 약품흔적을 닦아내고 약품 탱크에 잔여 약품을 비워낸 후 깨끗한 물을 받아 30~1시간 동안 펌핑(가동)한다. 약품 입출구, 배관을 세척하는 작업이다. 또한 접합부, 주입부 주변에 누수가 없는지 체크 하고 건조한 상태로 보관한다. 세척하지 않고 보관하면 기기류에 남아 있는 약품이 배관과 약품 펌프에 손상을 주어 다음 해 사용 시 수리/교체해야 하므로  청소를 통해  최대 성능 구현과 유지 보수 비용을 절감할 수 있다.  또한 충분한 환기 상태에서 작업해야 한다. 원액은 삼키면 위험하므로, 직접 섭취하거나 음용하지 않는다.   금속에 접촉하면 부식을 야기할 수 있으니 약품 주입(보충)시 손펌프를 이용하여 투입한다.  청결하게 관리하는 것이 제일 중요하다.